Zum Inhalt springen
TT-SAX

TT-SAX

Konstruktionsbüro für Förder- und Stahlbautechnik
  • Start
  • Leistungen
    • Fördertechnische Systeme / Fördertechnik
    • Aufzüge- und Aufzugskomponenten
    • Fachplanung Aufzüge / Fördertechnik
    • Festigkeitsnachweise mit Finite-Elemente-Simulation (FEM)
    • 3D-Konstruktion (Digitalisierung) von Oldtimer-Ersatzteilen
  • Referenzen
    • Referenzen Fördertechnische Systeme / Fördertechnik
    • Referenzen Aufzüge / Aufzugskomponenten
    • Referenzen Fachplanung Aufzüge / Fördertechnik
    • Referenzen Festigkeitsnachweise mittels Finite-Elemente-Simulation (FEM)
    • Referenzen 3D-Konstruktion (Digitalisierung) von Oldtimer-Ersatzteilen
  • Auftraggeber

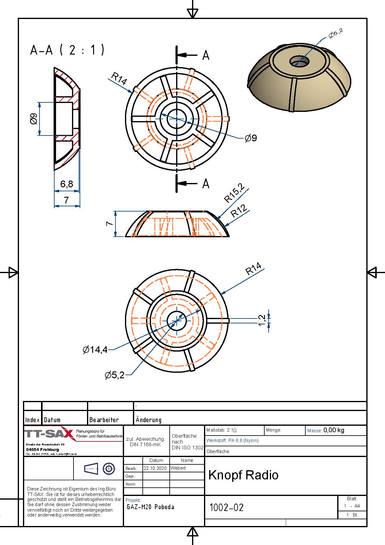
Referenzen 3D-Konstruktion (Digitalisierung) von Oldtimer-Ersatzteilen

Auftrag: Modellierung und 3D-Druck Radioknöpfe Fahrzeug GAZ-M20 Pobeda

Downloaddokumente: 

Knopf Radio GAZ-M20 Pobeda 03 | Knopf Radio GAZ-M20 Pobeda 01 | Knopf Radio GAZ-M20 Pobeda 02

Auftrag: Modellierung und 3D-Druck Lichtabdeckung Ford

Downloaddokumente: 

Lichtabdeckung Ford

  • Unternehmen
  • Ansprechpartner
  • Partner
  • Kontakt
  • Impressum
  • Datenschutzerklärung

TT-SAX Planungsbüro für Förder- und Stahlbautechnik

Tom Webert
Am Harzberg 9
04654 Frohburg

Für mich verstehen sich Grundwerte wie Verantwortungsbewusstsein, Moral und fairer Wettbewerb als die entscheidende Säule meines unternehmerischen Handelns.

Tom Webert

Fachkompetenz - Erfahrung - Kundenorientierung
Built with Make. Your friendly WordPress page builder theme. Adapted by COSIMO